Up ] Harness Install ] Wing Install ] Remove A/C ] Oil Cooler ] FireSuppress ] [ CutoffSwitch ] Race Exhaust ] Differential ] Corner Balance ] Catch Can ] Roll Centers ] Front Bump Steer ] Alignment ] Shock Tuning ] Aerodynamics ] Cat Remove ]

S2000 Electrical Cutoff Switch Install

By Rob Robinette

A master electrical cutoff switch is required by SCCA and NASA racing regulations. The cutoff switch must remove all electric power from the battery and alternator (except a fire suppression system must remain powered). The engine must stop running when the switch is turned to the "Off" position.

Electrical Cutoff Switch In Standard SCCA Location

Easily accessible by the driver and from outside the car. You must not drill into the roll bar to mount the switch.

I recommend Pegasus Racing's 4430 cutoff switch. It has the extra W terminal that will safely short the alternator through an included big-ass 3 ohm 11 watt resistor. You may damage your expensive alternator if you use a cutoff switch without a shorting resistor. Some cutoff switches have a resistor mounted internally. Pegasus sells the resistor separately if you want to use it with a different switch. I use my cutoff switch to power the car and then start it with the OEM start button. I normally shut the engine down with the cutoff switch too. Pegasus Racing calls their switch a "Master Battery Switch."

Pegasus Racing 4430 Cutoff Switch

 

OEM S2000 Wiring

This is the stock S2000 wiring under the hood before the cutoff switch modification below.

 

Modified S2000 Wiring With Cutoff Switch

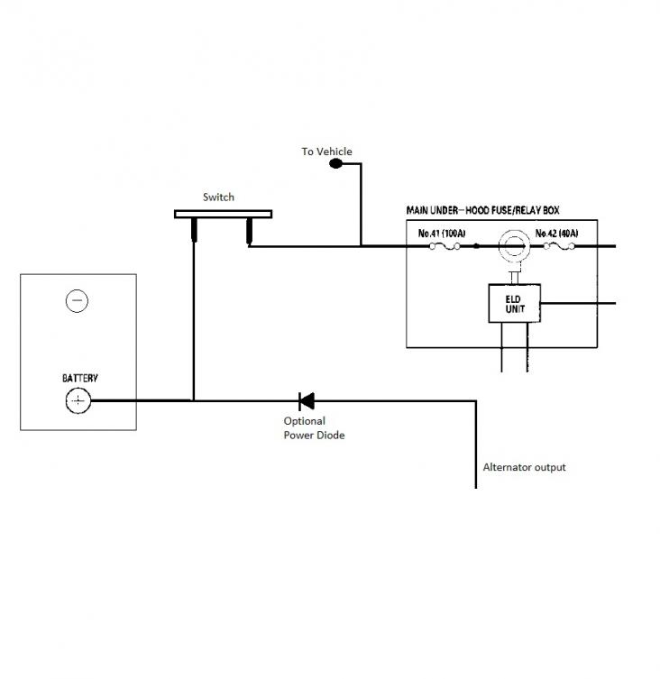
Matt followed the above instructions from Adrenaline Autosport for his cutoff switch. The switch disconnects battery and alternator power from the car and engine resulting in engine shutdown. A separate wire for the ignition cutoff like below is not required. I do recommend you use an alternator shorting resistor on the cutoff switch's W terminals with this setup (as shown below). Use 4 gauge copper strand cable for the wiring. Use 14 gauge wire for the shorting resistor circuit.

 

Pegasus 4430 Install Instructions

As stated in the above instructions, make sure you connect the shorting resistor to the correct side of the switch. If you follow the Pegasus instructions you will have to run the ignition switch's ignition wire through the cutoff switch's Z terminals.

You'll have to route a new 4 gauge cable from the battery's positive terminal through the firewall to the cutoff switch, then another cable from the cutoff switch back through the firewall to be spliced into the OEM positive battery cable. Pegasus sells high quality 4 gauge battery terminal wire by the foot. I recommend using red wire since it will be a hot positive battery cable. This wire is about 0.4 inch in diameter.

Pegasus 4 Gauge Battery Cable

Pegasus also sells these crimp on 4 gauge wire ring terminals in a variety of hole sizes. Use 3/8" size holes for the cutoff switch terminals.

Be sure and use grommets or these sweet 0.5 inch inside diameter hole bushings to protect the electrical cables where they go through the firewall because they will always be hot from the battery. These 1/2" inside diameter bushings need a 5/8" hole through the firewall.

Use good quality cable clamps like these from Pegasus to secure the cable in the engine bay and under the dash.

Another way to wire the cutoff switch is to run the battery's ground cable to the switch and then from the switch to a nearby ground bolt. The downside to this method is you have to send the ignition switch's ignition wire to the switch's Z terminals to kill the engine.

Here's the Pegasus cutoff switch mounting tab. Normally this tab is welded to the roll cage. Racing regulations do not allow drilling holes in the roll cage for mounting purposes.

 

Matt's Cutoff Switch Mount

Matt's photos by Matt

 

Matt's Wiring from Firewall

 

Matt's Wiring Along Upper Firewall to Battery and OEM Positive Cable

The shorting resistor is attached to the W terminal on the hot (battery) side of the switch. The resistor can be grounded by soldering or crimping the other resistor leg to 14 gauge insulated wire and connecting the wire to a grounding bolt under the dash. Connect a short piece of 14 gauge wire from the cutoff switch's cold (non-battery) terminal to the switch's other W terminal. See the switch instructions above and make sure you get the shorting resistor connected to the correct side of the switch.

Matt's Cutoff Switch with Cables Visible

Switch terminals are wrapped in electrical tape.

Pegasus sells cutoff switch terminal covers and these need to be installed to prevent shorting the hot switch terminals to the roll cage. You can also insulate the switch by wrapping it generously in electrical tape.

Cutoff Switch Terminal Covers

You must attach a cutoff switch decal outside the car near the switch. I put mine on the driver door directly below the switch.

Rob Robinette

 Home ] Up ] Harness Install ] Wing Install ] Remove A/C ] Oil Cooler ] FireSuppress ] [ CutoffSwitch ] Race Exhaust ] Differential ] Corner Balance ] Catch Can ] Roll Centers ] Front Bump Steer ] Alignment ] Shock Tuning ] Aerodynamics ] Cat Remove ]