Miata Technical Service Bulletin |
|||||||||
| Category | Applicable Model(s) | Subject |
|
||||||
|---|---|---|---|---|---|---|---|---|---|
| F | 1996 MX-5 Miata | MIL Illumination - P0470 Stored in memory | |||||||
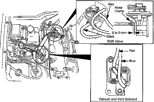
1996 MX-5 Miata
The MIL light may illuminate on some vehicles with DTC P0470 stored in memory. This may be caused by the EGR boost sensor hose disconnecting from the EGR valve.
Customers complaining of MIL light illumination should have the vehicle inspected and repaired according to this bulletin.

| Part Number | Description | Quantity |
|---|---|---|
| BPS1-20-440A | Vacuum Hose Assembly | 1 |
| 9928-30-800 | Hose Clamp | 1 |
| (Applies to Verified Customer Complaints on vehicles covered undernormal warranty. Refer to the SRT Microfiche for warranty term information. | |
| Warranty Type: | A |
| Symptom code: | 91 |
| Damage code: | 9G |
| Part number main cause: | BPS1-20-440A |
| Quantity: | 1 |
| Operation Number: | XX893XRX |
| Labor hours: | 0.2 Hrs. |